振動篩12年生產廠家
過濾,除雜,分級

450-1750元/臺
10-1500kw振動力:
0.08-0.45kw功率:
3000次/分振動頻率:
產品特點:具有體積小、重量輕、結構簡單、耗電量低和維修量小
適用行業:應用于礦山、冶金、化工、建材、機械等各行業中
選型要點——詳情咨詢
按照激力不同:慣性式電動式,電磁式,電液式,氣動式和液壓式等。
根據額定功率:功率0.12kw—料倉壁厚3.2-4.5mm,功率0.22kw—料倉壁厚4.5-6mm, 功率0.37kw—料倉壁厚6-8mm,功率0.75kw—料倉壁厚8-10mm,功率1.1kw—料倉壁厚10-13mm(功率不同,所適用的料倉溜槽壁厚也不同)

電磁倉壁振動器是靠高頻振動和沖擊力,有效地消除物料由于內摩擦、潮解、帶電、成分偏析等原因而引起的堵塞、搭拱現象,使物料從料倉口順利排出,保證穩定地供料所必需的設備。CZ型倉壁振動器已廣泛地應用于礦山、冶金、化工、建材、機械等各行業中。



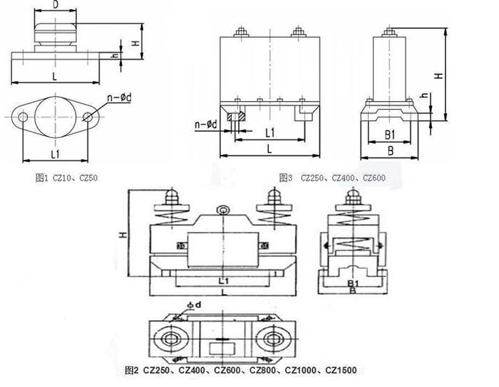
CZ型電磁倉壁振動器具有體積小、重量輕、結構簡單、耗電量低和維修量小的特點。倉壁振動器由振動體、共振彈簧、電磁鐵、底座等部件組成。有CZ10型、CZ50型、CZ100型、CZ250型、CZ600型、CZ1000型。振動力:10~1000。功率:0.008~0.2kw。
外型尺寸如圖:圖(2)為CZ250、CZ400、CZ600、CZ800、CZ1000型螺旋彈簧倉振器,圖(1)為CZ10型、CZ50、CZ100型為環氧板簧倉振器。


| 型號 | 振動力(kg) | 功率(kw) | 工作電壓(V) | 工作電流(A) | 振動頻率(次/分) | 振動體幅度(mm) | 適用倉壁厚度(mm) |
| CZ10 | 10 | 0.008 | 220 | 0.11 | 3000 | 1.5 | 0.6-0.8 |
| CZ50 | 50 | 0.03 | 1.1 | 1.5 | 1.2-1.6 | ||
| CZ100 | 100 | 0.06 | 1.0 | 1.5 | 2.5-3.2 | ||
| CZ250 (CZ200) |
250 | 0.1 | 1.6 | 2 | 1.0-4.0 | ||
| CZ600 (CZ400) |
600 | 0.15 | 2.3 | 2 | 3.0-8.0 | ||
| CZ1000 (CZ800) |
1000 | 0.2 | 3.8 | 2 | 6.0-14 | ||
| CZ1500 | 1500 | 0.45 | 7.0 | 2 | 6.0-14 |

電磁倉壁振動器可用于各種振動機械,如給料機,小型輸送機,振動篩,振動平臺及倉壁振動等等場合,使用靈活方便。振動強度可用控制器隨意調節。


Copyright ? 2007-2019 振動篩廠家-新鄉市大漢振動機械有限公司 | All Rights Reserved 版權所有
備案序號:豫ICP備09002479號-1