
產品類別:三次元振動篩
產品簡介:Φ400型振動篩為直徑400mm的三層四個出料口振動篩與物料接觸部分采用304材質也叫不銹鋼振動篩小型振動篩,網架采用子母網分離結構,整機為碳鋼材質。體積小,移動方便,價格便宜,適合小產量要求的客戶使用。
全國統一銷售熱線
免費獲取報價
Φ400型振動篩為直徑400mm的三層四個出料口振動篩與物料接觸部分采用304材質也叫不銹鋼振動篩小型振動篩,網架采用子母網分離結構,整機為碳鋼材質。體積小,移動方便,價格便宜,適合小產量要求的客戶使用。
Φ400型振動篩工作原理:
400型小型振動篩是由直立式振動電機作為激振源,電機上、下兩端安裝有偏心重錘,將電機的旋轉運動轉變為水平、垂直、傾斜的三次元運動,再把這個運動傳遞給篩面進行篩分。調節上、下兩端的相位角,可以改變物料在篩面上的運動軌跡。
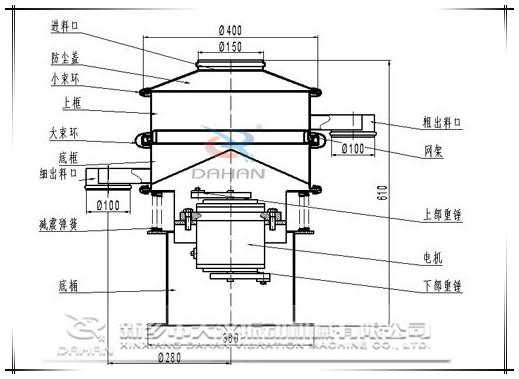
Φ400型振動篩結構圖:
Φ400型振動篩技術參數:
振動篩廠家大漢機械可根據客戶需求設計特殊型號,無論物料是干是濕,是精細是粗糙,是比重大是比重輕,0-400目都可以篩選,不管是液態的,還是漿狀的0-600目都可以過濾。
大漢振動篩系列產品同時配備專門的篩網清理裝置,把堵網率降到低,過網率和處理精度得以有效提高。大漢機械具備特殊型號制造的能力讓顧客對大漢產品有更多的選擇。